Signaux

Hauteur d’une note : une activité expérimentale en seconde

Lycée

Les élèves doivent enregistrer une note donnée par un ukulélé et une note donnée par un diapason puis réaliser une analyse spectrale afin de déterminer la hauteur de chaque note. Ils enregistrent ensuite un compte rendu audio.

Scénario

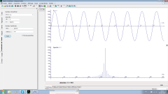
  • Les élèves enregistrent les notes avec les deux instruments au format « wav ». Ils doivent ensuite réaliser l’analyse spectrale des sons produits soit directement avec Audacity soit avec un logiciel plus performant. Ils déterminent la fréquence du fondamental qui donne la hauteur de la note.
  • Ils préparent ensuite le compte-rendu audio qu’ils enregistrent au format « wav » avec Audacity.

Variante : les élèves peuvent déterminer la période du phénomène périodique puis en déduire la fréquence du fondamental.

  • les élèves créent quatre sons pur de fréquences : 440 Hz-880 Hz-1320 Hz et 1760 Hz puis exportent le fichier au format « wav ». Ensuite ils vont dans « piste » « mixage et rendu », les quatre pistes sont alors ajoutées. Ils écoutent le son et constatent que le son obtenu à une hauteur de 440 Hz s’ils ont l’oreille musicale, dans le cas contraire, ils font une analyse spectrale.
  • l’évaluation ne porte que sur le compte-rendu audio.

Analyse

Pas de problème particulier. Les élèves n’ont pas tous le même résultat du fait que les ukulélés ne sont pas toujours bien accordés. De ce fait, ils sont parfois déstabilisés en comparant avec les résultats d’un autre groupe.

Dans le cas où les ukulélés sont biens accordés les deux correspondent à la note « La » mais d’octave différent.

Pièges à éviter

Les élèves doivent bien exporter et non enregistrer les fichiers avec Audacity. Dans le cas contraire on ne peut lire les fichiers qu’avec Audacity.

Auteur : Olivier Le-Cocq

Cet article est extrait d’une fiche Cartoun : https://cartoun.education.fr/portail/share/AP1458

Documents à télécharger

Dans la même rubrique…

Mots-clés

Articles liés

Revenir en haut